江苏盟控佳业仪表有限公司
电话:0517-86902180
传真:0517-86902189
手机:18852329880(销售)
手机:18852329881(技术)
地址:金湖工业园区同泰大道286号
邮箱:xs@mkjyyb.com
● 压力表
产品详情
一、主要技术指标
● 表面直径: 100 150
● 精 度: 1.0、1.6级
● 量 程: 0~0.06…60 -0.1…2.4…60MPa
● 外壳材料: 普通08F喷塑、不锈钢304SS
● 波 登 管: 磷铜管Qsn4-0.3、不锈钢304、316LSS
● 密 封: 丁腈、硅、特氟龙
● 接口螺纹: M20×1.5 G ZG NPT
● 耐振型充液: 硅油 变压器油
● 工作振动: V、H、3 耐震型:V、H、4
● 防护等级: IP64
二、型号标识
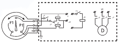
附电气线路连接示意图
下一个:电阻(位)远传压力表(YTZ型)